Cobra sterndrive *800 OMC parts *Mercruiser outdrive videos

T.C. Electronics/Marine (416) 751-7326 Home Page

OMC parts *Exploded view drawings *Outdrive repair help video

GLM Marine aftermarket OMC sterndrive parts
Johnson/Evinrude parts drawings

  • Outboard Marine corporation sterndrive series
  • Stringer electric shift component and intermediate housing diagrams
  • OMC Cobra sterndrive and Cobra-SX Volvo Penta gearcase
  • OMC sterndrive how to repair video,s that show Johnson/Evinrude tools and new or used OEM parts if required. See Cobra sterndrive model and hp listed below.
  • How to video for pressure testing upper-lower units and make your own pressure testing unit. Please see home page for parts look up and Evinrude/Johnson outboard manuals.
  • Our service representative Wayne Coll has over 45 OMC repair videos, do a Google search under Wayne Coll YouTube videos
  • Located in Canada please see Boatparts.ca for GLM Marine aftermarket Johnson/Evinrude boat parts
  • See OMC sterndrive parts and lower unit changes for years 1967 to 1993
  • Outboard Marine corporation / Johnson/Evinrude outboard motors and OMC boat repairs

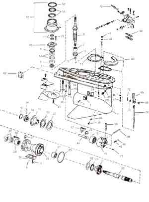
Click on parts drawing for large exploded view

400-800 Series parts
Stringer OMC sterndrive parts

400-800 sterndrive gearcase. Ball gear drive units for years 1971 to 1985.

Common Outboard Marine corporation replacement component are:

Part number 11410 stainless steel water pump shaft with stripped male spline from fast starts and propeller impact.

Part number 11412 harden steel drive shaft with groves worn in seal area. (stripped female spline from rust)

Rebuilt OMC upper gearcase case assembly with GLM marine aftermarket component with new gears, drive shaft, water pump shaft, housing, bearings, ball gear, seals and water pump housing.

400/800 exhaust housing parts and tops for Stringer outdrives.
OMC 800 water pump Question and Answers

Exploded view component drawings for
SX, Cobra 400-800 outdrive repairs

800 series high profile drawing

high profile drawing

OMC sterndrive Stringer upper gear case for years 1968 to 1977 with both press on and bolt on ball gears.

Sterndrives may come with or with out true coarse steering installed.

OMC used parts and OMC outdrive repair or rebuilt may be available please contact order desk for availability

Need a rebuilt upper gearcase click here for pricing details on our remanufactured units.

Rebuilt upper gearcase case assembly parts with new gears, drive shaft, water pump shaft, housing, bearings, ball bear, seals and water pump housing with total component value of $1267.09

OMC 400 lower unit drawing

400 lower unit drawing

400 Series OMC sterndrive gearcase exploded view drawing for years 1982 to 1986 with 3-1/4 inch smaller hub sterndrives.

Drawing includes the following parts:
  • Drive shaft, gearcase, propeller shaft, drive shaft, bearing carriers and bearing retainers.
  • Stern drive years 1982 thru 1986. Boat parts drawings are divided into 3 section.
  • 1st drawing part numbers 1 to 22, second drawing part numbers 23 to 48 and third drawing part numbers 49 to 72.
  • Layout show GLM Marine part number, photo and OEM numbers of each OMC part listed in gearcase.

Common repairs and boat parts are:

  • Seized bearings from low oil levels or water in the oil.
  • Propeller impact damage resulting in broken gears and bent propeller shafts.
  • Old boat were outdrives have cracked oil seals were the gearcase is 15 plus years old in need of repair.

800 lower parts
800 lower parts

800 series for the following years: 1982, 1983, 1984, 1985 and 1986 lower unit gear-case. Large hub, drive shaft, drive shaft bearing, shifter rod and prop shaft installed.
  • GLM Marine replacement boat parts for 800 series lower units years 1978 to 1985
  • Common repair components are the same items as 400 series lower unit.
  • OMC sterndrive is identical except for housing hub size on 800 series that is 4-1/4 inches, about 1/2 larger than the 400 series.

electric shift 1972 1977
Electric shift 1972 1977

Stringer electric shift lower units gearcase part number for years 1972 to 1977

  1. OMC gear-head rebuild
  2. Electric shift outdrive inspection procedure
  3. Common replacement parts are:
    Clutch spring and forward gear assembly from engine idol speeds over 650 rpm.
  4. Broken OMC shifter switch that hold only intermittent contact.
  5. Poor wiring contacts in electrical terminals
  6. Upper drive shaft bearing from low oil levels.
  7. Need outdrive parts not listed see Marine engine.com for added information
  8. Manuals for sterndrives are still available for rebuild or repair help. Have a look at our electric shift video repair section

OMC intermediate housing drawing
OMC intermediate housing drawing

400-800 and electric shift Stringer stern drive intermediate housing.
  • Common replacement boat parts are:
  • Drive shaft ball gear due to normal wear or running the boat with stern drive not all way down in the water.
  • Bearing due to low oil or cracked seals. Drive shaft splines that did not have updated shafts installed.
  • Clutch packs that have water entering due to cracked seals that are in most cases 20 plus years old.

OMC Cobra upper gearcase layout
OMC Cobra upper gearcase layout

OMC Cobra stern drive with u-joint driven drive shaft for years 1986 to 1992 and (1988 King Cobra) upper gearcase components.
  • Common replacement boat parts are:
  • Broken gears or seized bearing from improper filling of upper gearcase.
  • Worn out water pump and yoke area seals on unit with 800 hours or more.

Cobra lower gearcase
3.750 inch OMC Cobra lower gearcase

1986 - 1989 3 liter and 1987 - 1990 2.3 liter 4 cylinder with 3-3/4 inch small hub lower gear-case component tech drawing
  • Common replacement components are:
  • Propeller impact damage resulting in broken gears and bent propeller shafts.
  • Old cracked seal that are 15 plus years old.

Cobra parts drawing

How to repair video series that show exploded view Cobra parts drawing.

  • However we have 25 plus repair videos listed at time of listing.
  • Click on you-tube icon to and select videos to see actual repairs, tools and parts required.
  • Contact the order desk for Johnson/Evinrude outboard motors with drawings. Having problem with your repair parts as we have a no charge tech service representative who will help you if required.
  • In most video,s tools and repair parts are listed by GLM Marine part number.

OMC Cobra parts lower gearcase
4.250 inch drawing 1985-1995

1986 to 1993 V6, V8 and 1990 to 1993 large hub 4-1/4 inch lower unit 3.0 liter 4 cylinder engine

1982 to 1993 V6-V8 Cobra large hub rebuild kit

Common replacement boat parts are:

Propeller impact damage resulting in broken gears and bent propeller shafts.

Old cracked seal that are 15 plus years old.

Shifter updates so shifter will moves with 2-5 foot pounds

Counter-rotating
Counter-rotating

1988 to 1993 V6, V8 counter rotating large hub 4-1/4 inch lower unit.

Common replacement components are:

First off this drive is not common and can be damage buy using a Cobra bearing carrier puller when changing the seals.

Propeller shaft is only 12 inches long and part of the bearing carrier unit.

This outdrive should only be service by a marina that stock the parts to repair it.

King Cobra lower unit used parts
OMC King Cobra

King Cobra 1987 to 1989 V8 for 7.4 and 7.5 liter engines with hub size of 5 - 3/4 inch.

Please note: the true King Cobra lower unit should only be used for the 7.4L (454) and 7.5L (460) motors.

For the 5.7L (350) and 5.8L (351) motors, use the standard OMC Cobra lower unit gear-case parts.

Used parts that may not be listed here are the lower gear case, gears, clutch dog and propeller shafts.

Please contact order desk for used parts availability.

OMC Cobra outdrive transom
Cobra outdrive transom parts drawing

Cobra transom mount diagram
  • Common replacement components are:
    Shift cable need replacement every 4-5 year unless shifter update has been installed in lower unit, if so then about every 15 years.
  • Broken or cracked u-joint bellows and exhaust bellows that are 10 plus years old.
  • Gimbal bearings that have not been grease every 50 hr. or 1 a year.

SX layout
SX layout

Cobra-SX Volvo Penta upper gear case layout with both new and used parts
  • Yoke and drive shaft
  • U joint
  • Socket
  • Bearing
  • Seal kit upper
  • Thrust plate
  • Retaining ring

Exhaust manifold
Manifolds and elbow illustration Ford-Chevy

400 / 800 Series and OMC Cobra manifolds for use with Ford or Chevy engines
  • Engine exhaust failures with over heating problems can sometimes be traced to the exhaust systems.
  • However before manifold unit or engine is replaced check the water pump flow to the engine.
  • Test is done by testing the time to fill a 2 gallon container at idle speed of 550 rpm to 650 rpm.
  • Most common boat repair is a crack or gasket leak inside the manifold that allows engine exhaust pressure as high as 100 lbs to enter the water jackets of the manifold. This reduces or stops the 20 to 30 lbs water pump flow

Volvo Penta SX
Volvo Penta SX

Cobra SX Volvo Penta parts layout lower unit gear-case

Common replacement OMC outdrive parts are:

  1. Bent propeller shafts form impact damage
  2. Cracked seals that are 15 plus years old.

transom
transom

Cobra SX and Volvo Penta transom parts

Common replacement parts are:

Shift cable need replacement every 7 to 10 years.

Broken or cracked u-joint bellows and exhaust bellows that are 10 plus years old.

Gimbal bearings that have not been grease every 50 hr. or once a year.

Evinrude/Johnson outboard parts drawing

Johnson/Evinrude drawing click here

Evinrude Johnson Outboards

Johnson/Evinrude outboard water pump

Johnson/Evinrude outboard water pumps and impellers

V8 boat engine parts
V8 Boat engine parts

Boat engine parts:
  • Carburetor kits
  • Boat fuel pumps
  • Boat fuel filter and water separator
  • Gasket rebuild kit
  • Thermostat kits
  • Engine manuals
  • Engine manifold gasket set

Used OMC sterndrive rebuild parts

Used OMC sterndrive rebuild boat parts

  • Used OMC sterndrive rebuild boat parts for sale.
  • Contact us if you want an item listed with picture that you may require or any used boat parts required.
  • Specifications for your OMC sterndrive boat should be noted before contacting us, items like serial number, year, hp. and gear ratio may be required to help you.
  • Need boat parts or the whole OMC outdrive. Items not listed on our web site contact us for hard to find components.

Please contact our order desk (416) 751-7326 for OMC boat repair parts, outboard motors and OMC repair video links not listed

Outdrive lower unit changes years 1967 to 1993

  1. 1967 to 1977 Electric shift with oil pump 8 bolt swivel
  2. 1970 to 1977 Electric shift 10 bolt swivel
  3. 1978 and 1981 Uses hydraulic oil pump 400/800 models (recall unit)
  4. 1982 to 1985 straight mechanical shift 400/800 models
  5. 1986 to 1993 OMC Cobra and in 1988 the King Cobra (clutch dog unit)

OMC electric shift outdrive repair

By authors Trish Dougherty / Wayne Coll
all rights reserved

1967 to 1970 Electric shift model with 8 bolt in swivel housing the electric shift required 12 volts to stay engaged. In 1970 to 1977 the swivel housing was changed to 10 bolt pattern.
In 1977, they discontinued the production and manufacturing of the Stringer electric shift unit. They opted to keep the upper gear housing design the same as with the Stringer model.

In 1978 completely redesigned the lower unit, this new design called for a sliding clutch dog in the gearcase that would engage the forward and reverse gear with the aid of a hydraulic pump.
This clutch was manually engaged by the use of a shift cable which contained 2 inner cores (one or reverse, one for forward). The new models were called the 400 series for 4 cylinder engines and the OMC 800 series for the straight 6 cylinder, V6 and V8 engine.

The early models between 1978 and 1981 unit used a hydraulic pump to assist the hydraulic shift cable to engage the clutch dog into gear.
In 1982, engineers redesigned the lower unit once again and the 1978 to 1981 was recalled and designed the sterndrive to shift with a mechanical shift cable. They removed the hydraulic shift assist pump as they found this wasn’t working properly rounding off the forward gear and clutch dog lug.

With some of the new shifting parts the new design called for the outdrive were still called the 400 / 800 series models – but were widely referred to as the mechanical shift models. This version of the 400 and 800 series were produced in Canada and the USA up to the year 1985.

OMC sterndrive Cobra rebuilt upper gear case

Outboard Marine Company re-engineered their OMC boat sterndrive in 1986 and introduced the Cobra gearcase. Their new modern boat parts manufacturing facility was located in Lexington, Tennessee. These new models were available in a variety of OMC boat motor options; including a 2.3 liter Ford 4 cylinder years 1986 to 1987, 3.0 liter Chevy, 5.0 liter – 5.7 liter – 5.8 liter Ford and Chevy small block V8 engine ’s and the monster 7.5 liter 460 Ford big block V8 years 1987 to 1988 King Cobra. The new
OMC King Cobra parts drawing will show unit no longer used the poorly designed ball gear system and used the modern u-joint style drive system.

The early Cobra models did have some technical design flaws which caused some problems when shifting. The original clutch dog had a 3 degree undercut on the top of the tooth; this angle wasn’t sufficient enough to keep the clutch engaged into the gear in certain instances. The clutch was updated to a 5 degree undercut; and a shift interrupter switch was added.

Along with an updated design in 1992 for the shift detent parts these changed did help with some of the shifting issues the drive may experience. One major difference with the Cobra models compared to the Mercruiser was that when the upper housing and lower gear case were mated together – the oil cavities were connected and an oil reservoir was not needed. The outdrive needed to be filled from the bottom fill plug until the oil reached the dipstick in the top cover of the upper housing.

Another difference was that the water pump assembly and impeller were installed in the upper gear case instead of lower unit.
In 1993, Outboard Marine Corporation along with Volvo entered into a joint venture and produced a hybrid model knows as the Cobra SX. This new design was all Volvo engineering with the transom being the original design. This hybrid model is also referred to as the ‘cone clutch’ model; the shifting components are heavier duty and no longer used the clutch dog system.

Outboard Marine Corporation including the Johnson/Evinrude outboard line officially went out of business in 1998 when Volvo purchased their rights and their manufacturing facility in Lexington. OEM parts are still being manufactured through BRP (Bombardier Recreational Products). Many OEM parts are still interchangeable with Johnson/Evinrude outboards; and some outboards still use the identical lower housing as the Cobra sterndrive model. Rumors have it that the 2 stroke 150 hp Johnson/Evinrude outboards had high repairs cost do to engine carbon build up at low speeds was all-so a factor.