Mercruiser Bravo One SEI outdrive parts drawings

T.C. Electronics/Marine ( 416 ) 751-7326 home page

Mercruiser Bravo bell housing parts drawing

Mercruiser bell housing parts for Bravo stern drive

  • Stern drive exhaust / U-joint bellow kits
  • Bushings, shift arms, gaskets, oil seals and clamps
  • Bell housing gasket and o ring kits
  • Water hoses, clamps and o rings
  • Bravo stern drive transom service kit
  • Click here for kits for the MC-1, R and Alpha 1 models

MerCruiser Bravo bell housing

Mercruiser Bravo bell housing

 

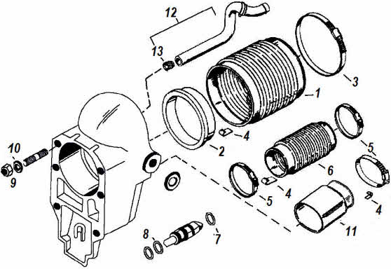
Ref. #

Item description

Add to cart

21961 transom kit
21961 transom kit
D

P/N 21961 Mercruiser Bravo transom kit includes

  • 89140 u-joint bellow
  • 89100 exhaust bellow
  • 89150 exhaust tube
  • 89080 shift cable bellow
  • 39640 drive seal kit
  • 21900 gimbal bearing
  • 47130 water hose

   $199.29

 
1
89100 Exhaust bellow kit OEM 18654A1

   $25.29

30040 gasket
30040 gasket
 
30040 Gasket (3 units) OEM 12-39116

  $4.79

85581 oil seal
85581 oil seal
 
P/N 85581 Oil seal OEM 26-816464-1

  $7.79

89141 sleeve
89141 sleeve
2
P/N 89141 Sleeve for all Bravo OEM 86814

  $14.79

01070 hose clamp
01070 hose clamp
3
P/N 01070 Clamp OEM 54-815504348

  $4.79

 
5
P/N 01100 Clamp OEM 54-815504372

  $4.79

 
4
P/N 89440 Grounding clip OEM 54-86049

  $4.79